Solution complète pour interrupteur de charge (sectionneur) 12kV, 24kV, 36kV
Compartiment de l'interrupteur de charge
Interrupteur-sectionneur et compartiment à combinaison de fusibles.
Compartiment de l'interrupteur de charge supérieur
Compartiment de l'interrupteur de charge inférieur.
RLS-12/24/36, un commutateur de charge pour l'intérieur à haute tension SF6, un appareillage à la tension nominale de 12kV / 24kV / 36kV, adopté avec le gaz SF6 en tant que moyen d'extinction et d'isolation d'arc, ainsi que les trois contacteurs pour la mise en marche et se déconnecte et se met à la terre, et se caractérise par son faible volume, son installation et son fonctionnement pratiques et sa grande adaptabilité aux environnements.
Le commutateur de charge
RLS-12/24/36 pour interrupteur de charge SF6 intérieur haute tension et la combinaison interrupteur de charge
RLS-12/24 / 36D de SF6 plus fusible peuvent fonctionner pour protéger et contrôler les équipements électriques destinés à l'alimentation et aux sous-stations de transformateur armoire en anneau, armoire de dérivation et sous-station de distribution.Les combinaisons
RLS-12/24 / 36d’un commutateur de charge pour SF6 à haute tension pour intérieur et une combinaison commutateur de charge RLS-12/24 / 36D plus fusible sont conformes aux normes GB3804-1990, IEC60256-1.1997, GB16926, IEC60420, etc.
Données techniques principales
|
Non
|
Item
|
Unité
|
Paramètre
|
|
1
|
Tension nominale
|
kV
|
12
|
24
|
|
2
|
Fréquence nominale
|
Hz
|
50/60
|
|
3
|
Courant nominal
|
A
|
630/800
|
|
4
|
Tension de tenue de fréquence de puissance 1min
|
kV
|
38
|
50
|
|
5
|
Tension de tenue aux impulsions de foudre
|
kV
|
48
|
60
|
|
6
|
Courant nominal de coupure en court-circuit (pic)
|
kA
|
75
|
125/150
|
|
7
|
Charge nominale et courant de coupure du circuit fermé
|
A
|
80
|
63
|
|
8
|
Courant de transfert évalué
|
A
|
1700
|
1200
|
|
9
|
Courant assigné faisant le courant (pic)
|
kA
|
80
|
63
|
|
10
|
Courant nominal de charge du câble (ligne)
|
A
|
50 and 10
|
|
11
|
Courant de charge du câble dans le défaut de mise à la terre
|
A
|
20
|
20
|
|
12
|
Courant assigné de tenue (pic)
|
kA
|
80
|
63
|
|
13
|
Courant de courte durée (2s)
|
kA
|
31.5
|
25
|
|
14
|
Mécanisme de vie
|
Fois
|
5000
|
5000
|
Données techniques principales
|
Non
|
Item
|
Unité
|
Paramètre
|
|
1
|
Tension nominale
|
kV
|
12
|
24
|
|
2
|
Fréquence nominale
|
Hz
|
50/60
|
|
3
|
Courant nominal
|
A
|
630/800
|
|
4
|
Tension de tenue de fréquence de puissance 1min
|
kV
|
38
|
50
|
|
5
|
Tension de tenue aux impulsions de foudre
|
kV
|
48
|
60
|
|
6
|
Courant nominal de coupure en court-circuit (pic)
|
kA
|
75
|
125/150
|
|
7
|
Charge nominale et courant de coupure du circuit fermé
|
A
|
63
|
50
|
|
8
|
Courant de transfert évalué
|
A
|
1700
|
1200
|
|
9
|
Courant assigné faisant le courant (pic)
|
kA
|
80
|
63
|
|
10
|
Courant nominal de charge du câble (ligne)
|
A
|
50 and 10
|
|
11
|
Courant de charge du câble dans le défaut de mise à la terre
|
A
|
20
|
20
|
|
12
|
Courant assigné de tenue (pic)
|
kA
|
80
|
63
|
|
13
|
Courant de courte durée (2s)
|
kA
|
31.5
|
25
|
|
14
|
Mécanisme de vie
|
Fois
|
5000
|
5000
|
Données techniques principales
|
Non
|
Item
|
Unité
|
Paramètre
|
|
1
|
Tension nominale
|
kV
|
36
|
40.5
|
|
2
|
Fréquence nominale
|
Hz
|
50/60
|
|
3
|
Courant nominal
|
A
|
630/800*
|
|
4
|
Tension de tenue de fréquence de puissance 1min
|
kV
|
70
|
80
|
|
5
|
Tension de tenue aux impulsions de foudre
|
kV
|
170
|
185
|
|
6
|
Courant nominal de coupure en court-circuit (pic)
|
kA
|
80
|
63
|
|
7
|
Charge nominale et courant de coupure du circuit fermé
|
A
|
63
|
50
|
|
8
|
Courant de transfert évalué
|
A
|
1200
|
800
|
|
9
|
Courant assigné faisant le courant (pic)
|
kA
|
80
|
63
|
|
10
|
Courant nominal de charge du câble (ligne)
|
A
|
50 and 10
|
|
11
|
Courant de charge du câble dans le défaut de mise à la terre
|
A
|
20
|
20
|
|
12
|
Courant assigné de tenue (pic)
|
kA
|
80
|
63
|
|
13
|
Courant de courte durée (2s)
|
kA
|
31.5
|
25
|
|
14
|
Mécanisme de vie
|
Fois
|
5000
|
5000
|
Mécanisme
RLS-24D de type intérieur de type moyen moyen interrupteur de rupture SF6 et sa combinaison de fusibles a
Sous les verrouillages:
A) Lorsque l'interrupteur de rupture de charge s'allume, le fonctionnement de la mise à la terre ne peut pas être fait
B) Lorsque l'interrupteur de mise à la terre s'allume, l'interrupteur de pause de chargement active / désactivé l'opération ne peut pas être effectuée
C) la sortie de verrouillage de la prétention de mauvaise gestion est équipée

Installation, réglage
L'interrupteur de pause de type RLS-24D a été strictement testé avant de sortir de l'usine et de respecter pleinement les normes techniques, doit lire soigneusement le manuel d'installation et se préparer comme ci-dessous avant l'installation et le réglage. Vérifiez l'apparence externe, tout produit de dommage n'est pas autorisé à utiliser. Nettoyez l'équipement et débarrassez-vous de la poussière et de la saleté peut causer par le transport ou d'autres causes.
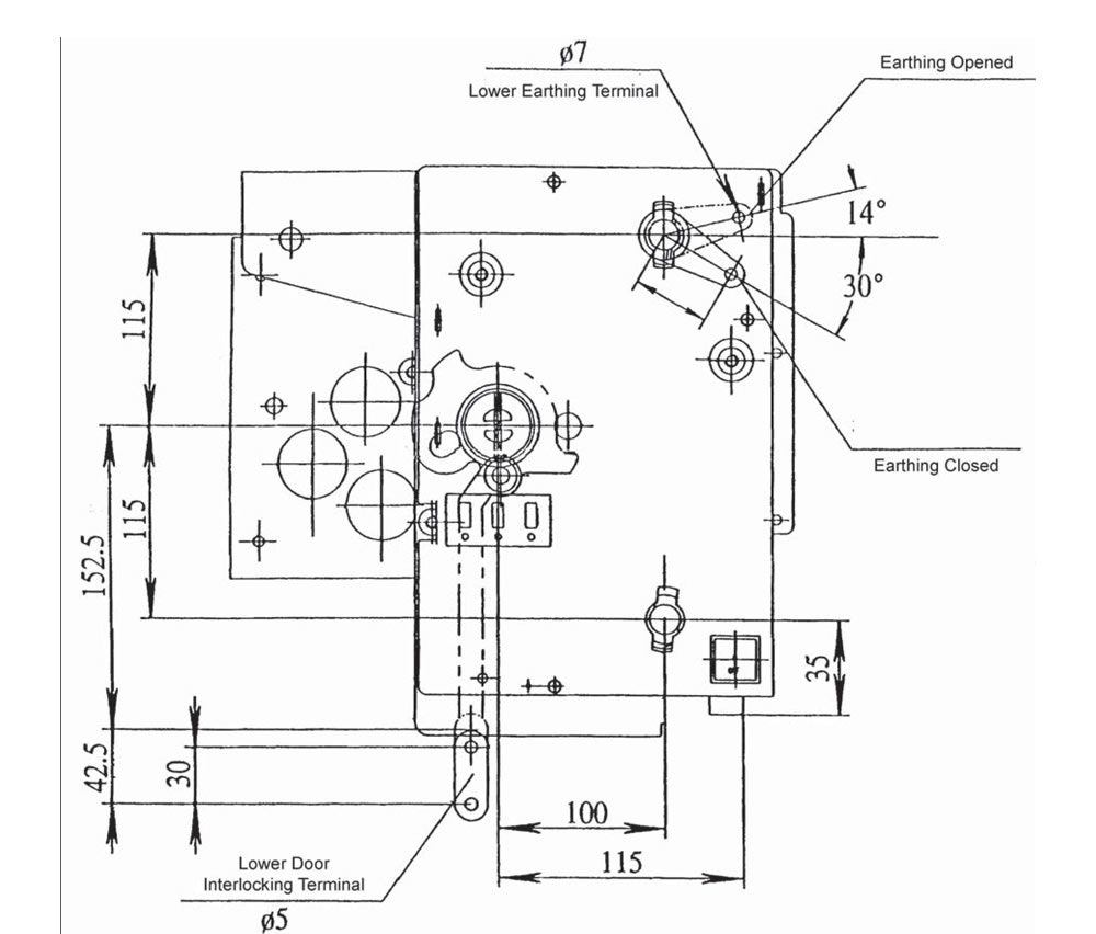
Après l'installation, assurez-vous que l'interrupteur de rupture de charge est désactivé, insérez la poignée dans le trou de fonctionnement de la mise à la terre dans la partie haut du panneau de fonctionnement, faites pivoter la poignée dans le sens horaire en 180 ° jusqu'à la terre l'interrupteur, tournez dans le sens antihoraire en 180 ° pour éteindre le hors de la durée la terre.
Pour allumer, éteignez d'abord l'interrupteur de rupture de charge, insérez la poignée au trou de fonctionnement de l'interrupteur de rupture de charge dans la partie inférieure du panneau et allumez le commutateur de charge.
De l'interrupteur pour éteindre, pour le mécanisme de type k, insérez la poignée au trou de fonctionnement de l'interrupteur de charge et faites-la pivoter à 180 ° pour s'éteindre; Pour un mécanisme de type, appuyez sur le bouton "désactiver" pour éteindre l'interrupteur de rupture de charge, observez de l'enrouleur pour le confirmer, vérifiez si la plaque d'indication ON / OFF fonctionne correctement.
Remarque: Ce n'est que lorsque la rupture de charge s'éteint, que l'opération d'allumage et de mise à la terre soient effectuées!
Service de maintenance
À l'état de l'installation dans l'environnement, car ce manuel requis et les opérations normales, le produit garanti qu'il est sans défaut pendant 10 ans et a une durée de vie de 25 ans, mais un contrôle régulier par 6 mois est nécessaire.
Gardez l'apparence externe loin de la poussière, de la saleté et de l'humidité.
Lubrifiez et utilisez le mécanisme 3 à 5 fois, vérifiez s'il agit correctement.
Vérifiez régulièrement auprès du compteur de pression, en cas de données de compteur inférieur à 0,01 MPa, doit recharger le gaz.
Lorsque le dysfonctionnement se produit dans l'interrupteur de rupture de charge et la combinaison de fusibles, et l'une des trois phases immédiatement, la charge de gaz doit être effectuée par le personnel professionnel ou formé par le fabricant. Utilise des brûlures, les trois fusibles doivent être remplacés en même temps, doivent terre l'interrupteur avant le remplacement.
Les choses ont besoin d'attention
Il n'est pas autorisé à démonter la valve auto-scellée devant le commutateur (connexion de la fin du compteur).
Il n'est pas autorisé à décharger les vis d'étanchéité sur l'interrupteur à tout moment. ++++ Instructions de commande
Instructions de commande:
1. Les termes en dessous doivent être marqués pendant la commande:
Numéro de modèle, nom de produit et quantité.
Modèle de mécanisme de fonctionnement (A, K).
Fournissez la spécification de tension nominale si le fonctionnement de la motorisation est requis.
Pour l'interrupteur de rupture de charge + combinaison de fusibles, le modèle de fusible et les spécifications sont nécessaires.
Autres exigences spéciales.
2. Documents avec produit du fabricant:
Certificat de qualification.
Rapport de test pour les produits.
Liste de colisage.
Autres documents techniques.
